|
April 1962 Radio-Electronics
[Table of Contents]
Wax nostalgic about and learn from the history of early electronics.
See articles from Radio-Electronics,
published 1930-1988. All copyrights hereby acknowledged.
|
The date approacheth when,
according to Western customs, every body needs to stand a vigil against the attempt
of another body to make him or her a fool. That date is of course April 1st,
aka, April Fools' Day. Many of the technical magazine we grew up with - and
some still today - engage in the ruse. Innovator and publisher
Hugo Gernsback,
who's long list of accomplishments includes this Radio-Electronics magazine,
often contributed his own wit to the April editions. The usual scheme is to make
the article just authentic enough to be possibly real, while including features
outrageous enough to clue the read that he is being "had." Experienced subscribers
knew that the Mohammed Ulysses Fips byline was sure to deliver an April Fools delight.
Here, Mr. Fips expounds on the newfangled "Electronics Razor."
New - Electronic Razor

No moving pads and no razor burn.
By Mohammed Ulysses Fips, I.R.E.*
I have a very thin facial skin and a very stiff beard. Consequently, practically
every day I cut myself with my razor; then I have to use alum and styptic sticks
to repair the bloody damage. This can become very annoying over the years.
Well, you might ask, why not use an electric shaver? A good question, but I have
tried many and found them wanting, particularly with my heavy, stiff beard. None
of them give me the clean, close shave I demand.
I began to think deeply for a long time, and study the entire razor subject from
A to Z because I became convinced that there must be something better than present-day
razors. Well, there is.
A few years ago I read in a Radio-Electronics editorial a piece that impressed
me greatly. This was the August, 1957, issue and the story was titled "Electronmechanics"
(Page 29).
It pertained to a newly-issued patent by R. H. Steigerwald (Patent 2,793,281;
May 21, 1957) . The device is chiefly a cathode-ray oscilloscope (CRO) generating
powerful cathode rays. Says the editorial:
"It uses the kinetic energy of a concentrated electron beam to drill fine holes
of the unprecedented order of 0.1 millimeter. Yet these microscopic holes can be
drilled in the hardest materials, such as steel, stone, glass, tungsten (and its
carbides), molybdenum, and even diamonds!

Fig. 1 - Three views of the special CRT plus a schematic representation.

Fig. 2 - This simple sweep circuit directs the sheet beam of
the CRT across the screen.

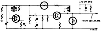
Fig. 3 - Power supply for the razor. When on -off switch is closed,
razor operates at maximum power to handle tough beards. Depressing the medium button
reduces high-voltage applied to the CRT, and reduces intensity of the electron beam
for medium beards. Depressing the low button reduces high voltage further for light
beards or sensitive skin.

The completed electronic razor.
"Using the same means, unbelievably fine holes with a diameter of only .001 millimeter
can be drilled in these same substances in times measured in seconds. Nor are the
holes drilled through thin foils. They have a depth of several millimeters. Also,
the holes can be drilled conically, if desired.
"While the term 'drilling' is constantly used in the description of the invention,
it should be noted that the drilling is actually done by heat. Therefore, it must
be called a thermomechanical means."
This gave me the fundamental idea for my Electronic Razor. I have worked on it
intensely for several years, and I have it perfected now. It will be ready for the
market shortly.
Now, as all CRT technicians know, cathode rays are generated only in an evacuated
tube. Hence all CRT's, particularly those that generate powerful streams of rays,
do so only in a high vacuum. Thus the glass wall of a TV cathode-ray tube absorbs
practically all cathode rays.
Up to now, cathode rays could not be projected in a satisfactory manner into
the atmosphere, that is outside of a cathode-ray tube.
I experimented with various thin, metallic "windows, like those of a Lenard tube,
from which the cathode rays would emerge, but none proved satisfactory. Such windows
were of course very small, usually less than 1/4 inch in diameter, just large enough
to let the cathode rays through. But, as I discovered, the electron stream was largely
absorbed by the metallic window.
Finally I started to work with semiconductor windows, and that problem. I tried
silicon, germanium and others, but the ideal proved to be what is now technically
called S-33, a combination of refractory semiconductors. It really is what I call
a semiconductor alloy. It has a very high melting point, is hard and refractory,
and makes the ideal window in that it passes a very high percentage of the powerful
cathode rays. For obvious patent reasons, the actual specifications and composition
of S-33 and its manufacturing processes cannot be divulged here.
If the thickness of the S-33 window is chosen carefully, the cathode ray stream
that issues from S-33 will not cause burns on the skin for the following reasons.
The window shape as shown in diagram Fig. 1 is rectangular, about 1/16 inch high
by one inch wide. Because the cathode ray rapidly sweeps from side to side over
the full 3/8-inch arc of the window, and because the whole razor sweeps over the
face, too, the cathode rays can remain over only any one point on the face for a
small fraction of a second. This, however, suffices to burn off the whisker protruding
above the skin, cleanly and efficiently.
Note particularly that as in all safety razors, there are metal safety shields
on both long sides of the CRT. They extend a fraction of an inch ahead of the face
of the CRT and prevent the "razor" from coming too close to the skin.
As the burning effect of the electron stream is confined to about 1/8 inch from
the surface of the window, the metal shields keep it from harming the underside
of the nose, lips or ears. This effect, as already stated is due to the correct
thickness of the S-33 window.
In practice, the electronic razor gives the fastest shave of any known razor.
You go over the face only once, so rapidly that the average "shave" takes only about
8 to 10 seconds! Then you use the usual aftershave lotion - that is all.
I predict that in time the electron razor will supplant all present-day razors.
For fuller explanation of the technical details of the new razor, see the illustrations
in Figs. 2 and 3.
Because all the research on my new razor had been done in my elaborate laboratory
at home, none of my co- workers and editors knew anything about my invention - least
of all the Big Boss in the front office, who has the habit of sticking his nose
into everyone's affairs.
Thus, a few weeks ago, right after lunch, when the illustrious Big Man - we actually
call him Bignose - was smoking his 7-inch cigar, I went in to see him with my perfected
model of the electronic razor.
I explained the principle to him in a few sentences, and as I could see that
he hadn't shaved that morning, I invited him to try it out. On his agreeing, I plugged
the cord in the outlet behind him, and he proceeded to "shave." He did it in 10
seconds flat on my pocket stop watch. He evidently liked it, since he smiled one
of his rare grimaces.
He even offered me a high price for my illustrated article and its sole publishing
rights. He was in a rare mellow mood.
Suddenly his face contorted into dark clouds, and lightning flashed from his
black, beady eyes.
He slammed his lit cigar ferociously onto his glass-topped desk, which instantly
caused a beautiful pattern of fireworks and shredded cigar particles.
Then he yanked the plug from its outlet and smashed the only model of my electronic
razor on the hardwood floor, where it created a far from beautiful pattern as all
the smashed components flew in every direction.
His face an apoplectic blue -red, he now bellowed: "Fips, you . . . you vacuum-brained
nogoodnik . . . what are you trying to do to me? You know that I own thousands of
shares of Hemington and Schlick Razor companies! Don't you know that that insane
contraption of yours will ruin all razor companies and me, too? Out of my sight,
you . . . you electronut!"
With that he took me by the coat collar and propelled me from his office. Here
I collided with the cashier, who was on his rounds distributing the weekly paychecks.
He handed me my check as I sailed past him.
Still stupefied from my unexpected treatment by the boss, my eyes scanned the
top of the check. It read:
APRIL 1
|