[Go to TOC]
Module 1 - Introduction to Matter, Energy, and Direct Current
Pages i,
1-1,
1-11,
1-21,
1-31,
1-41,
1-51,
1-61,
2-1,
2-11,
2-21,
3-1,
3-11,
3-21,
3-31,
3-41,
3-51,
3-61,
3-71,
3-81,
3-91,
3-101,
3-111,
3-121, Appendix
I,
II,
III,
IV,
V,
Index
Q59. Is it considered
safe for a person to touch any energized low-voltage conductor with the bare hand?
Q60. What should you do
if you become aware a possible malfunction in a piece electrical equipment?
Q61. Who should perform CPR?
Summary
With the completion this chapter you have gained a basic understanding dc circuits. The
information you have learned will provide you with a firm foundation for continuing your study electricity. The
following is a summary the important points in the chapter.
A Basic ELECTRIC Circuit
consists a source electrical energy connected to a load. The load uses the energy and changes it to a useful form.

A SCHEMATIC Diagram is a "picture" a circuit, which uses symbols to represent components.
The space required to depict an electrical or electronic circuit is greatly reduced by the use a schematic.
3-111

Voltage (E) is the electrical force or pressure operating in a circuit.
An
Ampere (A) represents the current flow produced by one volt working across one ohm resistance.
Resistance (R) is the opposition to current. It is measured in ohms ( ). One ohm resistance will
limit the current produced by one volt to a level one ampere.
The OHM'S forMULA
can be transposed to find one the values in a circuit if the other two values are known. You can transpose the
Ohm's law formula

mathematically, or you can use the Ohm's law figure to determine the mathematical relationship between R,
E, and l.
3-112

GRAPHICAL ANALYSIs the relationship between R, E, and I can be studied by plotting these
quantities on a graph. Such a graph is useful for observing the characteristics an electrical device.

Power is the rate doing work per unit time. The time required to perform a given amount
work will determine the power expended. As a formula, P = E x I, where P = power in watts, E = voltage in volts,
and I = current in amperes.
The FOUR Basic ELECTRICAL QUANTITIES are P, I, E, R. Any
single unknown quantity can be expressed in terms any two the other known quantities. The formula wheel is a
simple representation these relationships.
3-113

Power RATING in watts indicates the rate at which a device converts electrical energy
into another form energy. The power rating a resistor indicates the maximum power the resistor can withstand
without being destroyed.
Power useD by an electrical device is measured in watt-hours. One
watt-hour is equal to one watt used continuously for one hour.
The Efficiency an
electrical device is equal to the electrical power converted into useful energy divided by the electrical power
supplied to the device.

HORSEPower is a unit measurement ten used to rate electrical motors. It is a unit work.
One horsepower is equal to 746 watts.
A Series Circuit is defined as a circuit that has
only one path for current flow.
3-114

RULES for Series DC Circuits:
. The same current flows through each part a
series circuit.
. The total resistance a series circuit is equal to the sum the individual
resistances.
. The total voltage across a series circuit is equal to the sum the individual voltage
drops.
. The voltage drop across a resistor in a series circuit is proportional to the ohmic value
the
resistor.
. The total power in a series circuit is equal to the sum the individual
power used by each
circuit component.
Kirchhoff's Voltage LAW states: The algebraic sum the voltage drops in any closed path in a
circuit and the electromotive forces in that path is equal to zero, or Ea + Eb + Ec +...En = 0.
3-115

Voltage POLARITIES must be used when applying Kirchhoff's voltage law. The point at which
current enters a load (resistor) is considered negative with respect to the point at which current leaves the
load.
Series AIDING VoltageS cause current to flow in the same direction; thus the voltages are
added.

Series Opposing VoltageS tend to force current to flow in opposite directions; thus the
equivalent voltage is the difference between the opposing voltages.
A REFERENCE Point is a
chosen point in a circuit to which all other points are compared.
3-116

An OPEN Circuit is one in which a break exists in the complete conducting pathway.
A Short Circuit is an accidental path low resistance which passes an abnormally high amount
current.
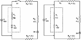
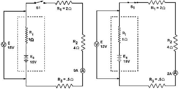
INTERNAL Resistance causes a drop in the terminal voltage a source as current flows through
the source. The decrease in terminal voltage is caused by the voltage drop across the internal resistance. All
sources electromotive force have some form internal resistance.

3-117
High Efficiency in a circuit is achieved when the resistance the load is high with
respect to the resistance the source.

3-118
Power Transfer in a circuit is highest when the resistance the load equals the
resistance the source.
A PARALLEL Circuit is a circuit having more than one current path
connected to a common voltage source.

RULES for PARALLEL DC Circuits:
. The same voltage exists across each
branch a parallel circuit and is equal to the source
voltage.
. The current through a
branch a parallel network is inversely proportional to the amount
resistance the branch.
. The total current a parallel circuit is equal to the sum the currents the individual
branches the circuit.
. The total resistance a parallel circuit is equal to the reciprocal the sum the reciprocals
the individual resistances the circuit.
. The total power consumed in a parallel circuit is equal to the sum the power consumptions
the individual resistances.
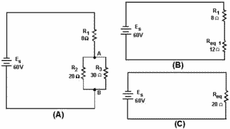
The SOLUTION a Combination Circuit is a matter applying the laws and rules for series and parallel circuits as
applicable.
3-119

ALL PARALLEL Circuits ARE Combination Circuits when the internal resistance the source is
taken into account.
REDRAWING Circuits for CLARITY is accomplished in the following steps:
1. Trace the current paths in the circuit.
2. Label the junctions in the circuit.
3. Recognize points which are at the same potential.
4. Visualize rearrangements, "stretching" or
"shrinking," connecting wires.
5. Redraw the circuit into simpler form (through stages if necessary).
3-120
| - |
Matter, Energy,
and Direct Current |
| - |
Alternating Current and Transformers |
| - |
Circuit Protection, Control, and Measurement |
| - |
Electrical Conductors, Wiring Techniques,
and Schematic Reading |
| - |
Generators and Motors |
| - |
Electronic Emission, Tubes, and Power Supplies |
| - |
Solid-State Devices and Power Supplies |
| - |
Amplifiers |
| - |
Wave-Generation and Wave-Shaping Circuits |
| - |
Wave Propagation, Transmission Lines, and
Antennas |
| - |
Microwave Principles |
| - |
Modulation Principles |
| - |
Introduction to Number Systems and Logic Circuits |
| - |
- Introduction to Microelectronics |
| - |
Principles of Synchros, Servos, and Gyros |
| - |
Introduction to Test Equipment |
| - |
Radio-Frequency Communications Principles |
| - |
Radar Principles |
| - |
The Technician's Handbook, Master Glossary |
| - |
Test Methods and Practices |
| - |
Introduction to Digital Computers |
| - |
Magnetic Recording |
| - |
Introduction to Fiber Optics |
| Note: Navy Electricity and Electronics Training
Series (NEETS) content is U.S. Navy property in the public domain. |