|
March 1960 Electronics World
Table of Contents
Wax nostalgic about and learn from the history of early electronics. See articles
from
Electronics World, published May 1959
- December 1971. All copyrights hereby acknowledged.
|
Perhaps one of the most frustrating
situations to find yourself in if you are a hard core audiophile is being an unmarried
enlisted man in the military, living in the barracks. Unlike residing in a college
dorm where comparatively there is no iron hand of peaceful existence enforcement
to quell a desire for music hall sound levels with bass saturation that can rock
you off your chair (other than dorm mates threatening to beat you to a pulp), in
a military establishment there is an immediate threat of arrest, rank demotion,
monetary fines, or a letter of reprimand (aka nonpunitive punishment) for blasting
a stereo (and your barrack mates might beat you to a pulp). One guy I shared a USAF
barracks room with had a couple thousand dollars worth of stereo equipment in a
19" rack in the room. It had something like a 1,000 watt quad speaker amplifier
(vacuum tubes for the output drivers of course - none of those emotionless transistors),
reel-to-reel tape deck, dual cassette tape deck, AM / FM / shortwave tuner, professional
quality turntable with a precision balanced tone arm and jeweled stylus, quad channel
equalizer, and other gizmos that I can't recall what they were. Oh, and of course
there were four monster speakers with finely tuned crossover networks for sub-bass,
bass, midrange, and tweeter speakers. On Saturday nights sometimes a pre-arranged
demonstration of the system's capability was given. Boston's "Don't Look Back"
would be played on the reel-to-reel and the volume cranked up (turntable couldn't
be used because the vibration would cause it to skip). After the bodies got up off
the room and hallway floors, congratulations and beers went 'round. Base security
probably thought an explosion had been detonated on the base.
See also "Room
Acoustics for Stereo" in the February 1960 issue of Electronics World.
More About Wide-Stage Stereo
By Paul W. Klipsch / Klipsch and Associates,
Inc.
For stereo coverage of a wide listening area the addition of a center channel
speaker along with a pair of corner speaker systems is recommended.
Stereo enhances reproduced sound by supplying the sensations of depth, improved
definition, and enlargement of apparent volume of the listening room.
Defining "high-fidelity" as the accurate reproduction of original tonality has
its counterpart in stereo as the accurate reproduction of the geometry of the original
sound. The two should convey to the listener the mental picture of the original
sound, both in tonality and geometry. The essentials of stereo are:
1. Breadth or apparent width of the sound source.
2. Spatial continuity or a continuum of sound rather than several point sources.
3. Directionality or the ability of the observer to locate sounds across the
stage in approximately the locations as originally generated.

Fig. 1 - Arrangements used in experiments.
Steinberg and Snow1 showed that three sound channels were necessary
and sufficient to achieve a reasonable approach to these requirements. Experiments
by this writer confirm their conclusions, including the feasibility of deriving
three channels from two sound tracks.

Fig. 2 - (A) Actual locations of sound sources. (B) Apparent
locations with two speakers. (C) Apparent locations with center speaker added. (D)
Apparent locations during live listening experiment.

Fig. 3 - Bass response of speaker system.
Two-Speaker Stereo
The author's own early experiments in stereo led to the conclusion that if two
speakers were far enough apart to produce a satisfactory stage width, there was
a tendency toward a two-source effect.
In a 16 foot by 25 foot room, the various arrangements of speakers shown in Fig. 1
were tried. In Fig. 1A, the stereo effect was noted only at close proximity
to the array; in Figs. 1B and 1C, the listening distance was greater but the two-source
or "hole-in-the-middle" effect was objectionable. In Fig. 1D there was a lack
of stereo effect while in Fig. 1E, the stereo effect was evident, but the
dependence on wall reflections resulted in poor mid- and high-frequency response
and a hole-in-the-middle. In all cases, focus of a soloist was possible only for
one listener on the axis of symmetry.
Phantom Center Speaker
The derivation of a phantom center channel has been the subject of a number of
articles but seems to have been done first by Steinberg and Snow in 1933. The manner
of derivation has been discussed in various publications.2,3,4
Qualitatively, the derived third channel resulted in retention of the geometric
integrity of a string quartet and a large orchestra; a soloist standing some six
feet to the left of the podium was reproduced a little to the left of the center
speaker.
Quantitatively, a study was made of the geometry of reproduction.3
Sounds were generated in the pattern shown in Fig. 2A. With a two-speaker playback,
an observer plotted the apparent sound sources as shown in Fig. 2B. With the
three-channel playback using the derived center channel, a typical observation was
that of Fig. 2C. As a "control" the same observer listening to the original
sound (not over the loudspeakers) plotted the apparent sources as shown in Fig. 2D.
The sounds were generated by a person speaking at the indicated locations, outdoors,
and reproduced in a 16 foot by 25 foot room with speakers on the 25-foot wall. The
results in Fig. 2D were obtained with the observer wearing a hood so he could
see to plot his results but could not see the person speaking at the indicated locations.
Observers as much as 11 feet off-axis plotted results which were almost as accurate
as those shown. This corroborates the work of Steinberg and Snow, indicating only
small shifts of the virtual sources as the observer moves in front of a three-channel
array.

Fig. 4 - Increase in area of stereo effect.
Phantom-Channel Theory
The philosophy behind the phantom-channel technique may be stated as follows:
If two microphones are properly placed relative to each other and to the sound
source, their combined output is that of a single microphone in the middle; this
microphone "that wasn't there" can be reproduced by re-combination. The output of
an actual third microphone can also be recovered by re-combination.
In practice, this combination may be accomplished by simple addition. The theory
of the third channel derived from two sound tracks is still being developed, but
it appears that crosstalk is subordinate to signal mutuality. (Crosstalk is the
inadvertent transfer of signal from one channel to another; signal mutuality is
the natural consequence of one microphone in a stereo array picking up signals pertinent
to other microphones.7)
The fact that the center channel carries sound from the flanks as well is true
whether the channel is derived or independent. Experience shows that with proper
adjustment of levels, a high degree of accuracy of geometric reproduction may be
obtained with either the derived or independent center channel. As little as 2 db
can produce a shift in the virtual sound source.
Speaker Placement
In the experiments involved with Fig. 2, the flanking speakers were placed
in corners. This was deemed desirable for improved stereo geometry and also for
improved tonality. Referring again to Figs. 1A, 1B, and 1C, no sound appears to
come from outside the speaker array. Although the arrangement of Fig. 1E produced
a "wide-stage" effect, it could not fulfill the requirements either of good geometry
or good tonality. Thus, the arrangement of Fig. 1C plus a center channel was
regarded as the only feasible array.

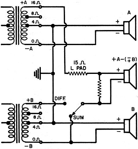
Fig. 5 - Simple method of obtaining the phantom channel
after the power amplifiers. Speakers have 16-ohms impedance and equal efficiency.
Connection to 400hm tap results in half (3 db less) power to center speaker.

Fig. 6 - Deriving the center channel.

Fig. 7 - Method proposed of combining the same polarity
signals without cancellation.

Fig. 8 - This circuit may upset feedback ratio and cannot
be used in all amplifiers.

Fig. 9 - Another method proposed by the author to obtain
a sum and difference phantom-channel signal with 1:1 transformer.

Fig. 10 - Method of obtaining a sum signal from two power
amplifiers by first reversing phase of one of the input signals.
Monophonically the speaker response is improved by corner placement as a result
of: 1. Complete room coverage with 90-degree tweeter radiation angle; 2. Better
tonality or response; and 3. Accuracy in the lower three octaves of response.
Fig. 3 illustrates the benefits to be derived from corner placement - as
far as tonality is concerned. A 15-inch driver unit in a 6.7-cubic-foot closed box
on legs was tested four feet from the walls at a corner, on the floor in the same
place, and on the floor in a corner. The curves show the responses for these various
locations. Most noticeable is the improvement below 60 cycles, but actually of comparable
importance is the smoothing out of the 100-200 cycle range.
One must conclude from this that tonality and geometry demand corner placement
of flanking speakers.
An experiment, not reported elsewhere, concerns a corner center speaker with
wall-type flanking units, arranged in an "L" configuration. It was found that the
geometry of reproduction was unnatural. Attempts to bring the center unit into proper
geometry by increasing its signal input had the effect of causing it to "jump forward"
into monophonic prominence. It is believed that the delay effects of some 5 to 10
milliseconds cannot be compensated successfully by increasing the volume, at least
experience thus far negates the use of this configuration.
Corner placement permits the maximum separation and consequently the maximum
listening area. The listening area is proportional to the square of the distance
of speaker separation. (Refer to Fig. 4).
Outdoors, two speakers seven-feet apart could be detected as "stereo" at a distance
of more than 50 feet.5 Indoors, the distance decreased, with 14 feet
providing barely discernible stereo effect. The maximum satisfactory listening distance
was about 7 to 10 feet. Wider speaker placement insures adequate angle while addition
of the center channel insures proper focusing so that the angular stage width becomes
that of the original sound. Recall that the string quartet and soloist were properly
located on playback as well as with a large orchestra.
Microphone Placement
Early stereo demonstrations appear to have concentrated on spectacular effects
rather than reproduction of true stereo geometry. One such appears to have achieved
a "three-peep-hole" playback effect by placing three microphones too close to the
three separated sound sources.
Most current tapes and discs apparently have been cut using microphone placement
which is compatible with three-channel playback. The bulk of this author's experience
has been with two microphones. The current trend toward recording three sound tracks
and later dubbing these to two involves a technology which is an art and science
in itself. It is possible that microphone techniques which are capable of improving
two-channel playback will offer even greater benefits in playback using three channels.
Deriving the Phantom Channel
The re-combination to derive a center channel may be accomplished in various
ways. The original circuit2 is shown in Fig. 6. This represents
a "sum" combination while the "difference" circuit is shown in Fig. 5.
Systems using only two power amplifiers are based on intrinsic amplifier stability
(precluding types using "damping control" or other forms of positive feedback).
Some recordings have been encountered in which focus of the center channel required
a "sum" re-combination while others required a "difference" treatment. This option
may be taken using the circuits of Figs. 7, 8, and 9. Fig. 9 employs the Electro-Voice
XT-1 1:1 transformer. Fig. 7 involves the use of a special coil which is still
in the experimental stage and not currently in production. It is believed the frequency
at which 90-degree phase shift occurs should be placed at about 100 cycles."
Fig. 8 derives the "sum" or "difference" without the exciting current and
possible distortion of an additional transformer or coil. Fig. 10 shows a "sum"
signal derivation using a preamplifier which permits a polarity reversal. ("Polarity"
is used here rather than phase. "Phase" is the angular relation between two directed
quantities where the angle may be any value while polarity applies to the special
case where phase angles are confined to 0, 180, and 360 degrees.)
All of the circuits, except that employing three amplifiers, assume speakers
of approximately the same sound pressure output per volt of input. Impedance mismatches
have been made in "tolerable" directions and assume speakers of 16-ohm nominal impedance.
Output difference up to 6 db may be compensated by choice of output taps in two-amplifier
systems. Speakers need not be of equal "efficiency" or output per volt input, but
may differ as much as 6 db even in two-amplifier systems. Where a pad is indicated,
the "L" pad is to be preferred over a "T."
The theoretical level of the center channel has been derived as 3 db down from
the flanking channels2, but experience shows this to be a function of
environment. Room geometry has dictated center-channel levels from 0 to -9 db relative
to the flanking channels and these values may not include all extremes.
Latest Experiments
Stereo geometry experiments have been conducted comparing three independent channels
with two-track-derived three channels." These experiments are still under way but
those completed thus far indicate the two-microphone, two-track, three-channel system
approaches the three-microphone, three-track, three-channel system in performance
and exceeds the two-channel playback in accuracy of geometry.
This author is in agreement with Steinberg and Snow's' conclusions, i.e., that
the center channel is necessary for the preservation of a reasonable approximation
of the original geometry in stereo playback. Addition of the center channel permits
wider spacing of flanking speakers, culminating in the natural limiting case of
corner placement and the natural angular rotation of flanking units for complete
coverage of the wide listening area. Wide-stage stereo means wide listening area
as well and the corner-limited arrays permit full advantage to be taken of the improved
tonality afforded by corner-placed speakers and, preferably, corner-designed speakers.
References
1. Steinberg, J. C. & Snow, W. B.: "Symposium on Auditory Perspective-Physical
Factors," Electrical Engineering, January 1934.
2. Klipsch, Paul W.: "Stereophonic Sound with Two Track , Three Channels by Means
of Phantom Circuit, (2PH3)," Journal Audio Engineering Society, April 1958.
3. Klipsch,Paul W.: "Wide-Stage Stereo," IRE Transactions on Audio, July-August
1959.
4. Klipsch, Paul W.: "Circuits for Three Channel Stereophonic Playback Derived
from Two Sound Tracks (10 ways to do it)," IRE Transactions on Audio, November-December
1959.
5. Klipsch, Paul W.: "Corner Speaker Placement," Journal Audio Engineering Society,
July 1959.
6. Klipsch, Paul W.: "Three-Channel stereo Playback of Two Tracks Derived from.
Three Microphones," IRE Transactions on Audio, March-April 1959.
7. Klipsch, Paul W. & Avedon, Robert C.: "Signal Mutuality and Cross Talk
in Two-and Three-Track Three-Channel Stereo Systems," paper delivered before Audio
Engineering Society Convention, October 8, 1959.
|