|
September 1969 Electronics World
Table of Contents
Wax nostalgic about and learn from the history of early electronics. See articles
from
Electronics World, published May 1959
- December 1971. All copyrights hereby acknowledged.
|
If you do a search on
solid state inductors, you will not find much with a date later than the time when
this article appeared in Electronics World magazine in 1969. It appears a patent
was issued in 1965, but the concept seems to never have caught on. The theory and
construction is simple enough according to the information here. Fundamentally,
it involves exploiting the properties of a Hall device when loaded with capacitive
or inductive loads to effect inductive or capacitive properties, respectively. The
ability to integrate capacitive elements into solid state substrates means the current
and voltage phase relationship of an inductor can be obtained in an IC without a
physical inductive element. Evidently practical implementation of inductors on
the die with values greater than a few nanohenries was difficult. Another option
at lower frequencies is to use the
gyrator circuit
configuration that employs operational amplifiers.
The Solid-State Inductor

Fig. 1 - Current flows lengthwise through a thin slice of semiconductor
material. A magnetic field cuts the flow of current carriers at right angles and
creates a Hall voltage along the edges of the semiconductor material as shown.
By David L. Heiserman
By combining the Hall effect with integrated circuit technology, a solid-state
device with inductive reactance has made its appearance.
Conventional thinking about inductors seems to rule out any possibility of developing
solid-state versions of inductive devices. Dr. S. Kataoka and his coworkers at the
Tanashi Electrotechnical Laboratory in Tokyo, however, departed from conventional
thinking recently and produced what may be the first practical approach to truly
solid-state inductors.
Semiconductor Hall-effect devices have been playing an increasingly important
role in electronics technology for over a decade. Dr. Kataoka and his staff took
advantage of some little-used Hall-effect phenomena to develop their new device.
The Hall Effect
Fig. 1 shows the basic experimental arrangement for demonstrating the Hall
effect. A current, Ii, from a constant-current source passes lengthwise
through a thin slice of semiconductor material such as indium antimonide (InSb).
A magnetic field, B, at right angles to the input current bends the current carriers
toward one edge of the Hall device. With an excess of charge carriers thus gathering
on one edge, a potential difference, Vh, develops between the edges.
This potential is the Hall voltage, and is given by the equation:
Vh = KIiB sin θ;
where K is the Hall constant, and θ is the angle between the input current
and the magnetic field. The Hall constant depends upon the density and mobility
of the current carriers, and the thickness of the Hall device. If the magnetic field
is fixed and at right-angles to the input current, the Hall output voltage is proportional
to the input current. Likewise, holding the input current constant and changing
the strength of the magnetic field varies the Hall output voltage accordingly. The
latter effect is employed in the design of Hall-effect gaussmeters.

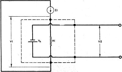
Fig. 2 - Equivalent circuit of unloaded Hall device. In
the case of a Hall-effect device with very large impedance (or open circuit) across
output terminals, the longitudinal voltage across the Hall material, V1, is simply
the input current times the intrinsic d. c. resistance of the material, R1. Since
the Hall voltage, Vh, delivers virtually no current to a very high impedance
load, then voltage V2 equals Vh.

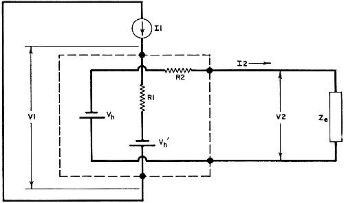
Fig. 3 - Equivalent circuit of loaded Hall device. When loaded with a fairly
low impedance, Ze a Hall current I2 flows through the intrinsic transverse
resistance, R2, and the external circuit. Since this current is subjected to the
same Hall phenomenon as I1, the Hall current creates a secondary Hall voltage, V'h,
that tends to oppose input current.

Fig. 4 - Phase relations between voltages and currents in
a.c.-operated Hall device. In (A) the device is resistively loaded and all waveforms
are in phase. In (B) a pure capacitance has been connected across the output terminals.
The Hall current, I2, leads its source voltage, Vh, by 90 degrees. This
voltage lag is reflected in the secondary Hall voltage which is mainly responsible
for the V1 potential. As shown, the voltage across the input of the device leads
the applied current by 90 degrees - just like an inductor. In (C) the device has
been loaded with a pure inductor. The device now behaves as capacitor to input.
Fig. 2 shows the equivalent circuit for a Hall device with very large impedance
connected across the output terminals. The input impedance of a Hall device with
a large output load can be approximated by the simple relationship: Zi
+ R1. Used in this way, the input impedance of the Hall device is simply the inherent
longitudinal resistance of the Hall material. Most present-day Hall devices are
used in this mode.
Short-circuiting the output terminals or making the load impedance very low,
however, produces quite a different input impedance (Fig. 3). Making Ze
very small makes the input impedance approximate: Zi = R1 + K2B2/R2.
With the Hall output terminals short-circuited, then, the input impedance rises
and responds to the square of the magnetic field strength. Such a device is used
as a magnetoresistance - an effect just now becoming popular in research and development
laboratories.
Hall Devices with A. C. Inputs
Fig. 4A shows the phase relationships between I1, Vh, 12, and
V1 for a Hall device with a purely resistive load. Taking the constant-current input
as a reference phase, the figure shows that Vh is in phase with I1. The
Hall current developed by Vh is also in phase with the input as is the
resulting voltage across the input terminals of the Hall device. Since the voltage
across the device, V1, is in phase with the input current, the resistively loaded
Hall device appears to be a purely resistive load to its associated current source.
If the external load is purely capacitive, on the other hand, current through
the external load will lead the Hall voltage by 90°. The result of this phase
shift, as shown in Fig. 4B, is that the voltage across the input terminals
leads the input current by 90°. Thus, with a capacitor across the output terminals,
a Hall device appears inductive to the current source.
On the other hand, connecting an inductor across the output terminals, as shown
in Fig. 4C, makes the Hall device appear capacitive to the input current source.
The Kataoka SSI
Once it was established that a Hall device could simulate an inductor by connecting
a capacitor across its output terminals, Kataoka carried the circuit idea one step
further and integrated the capacitor into the Hall-effect device. The Kataoka SSI
(solid-state inductor) consists of two thin slabs of InSb - one of the p-type and
the other of the n-type - separated by a thin layer of a metal oxide dielectric.
With a permanent magnet fixed to the device, the two slabs of InSb act as plates
of a capacitor, and the voltage across the input terminals leads the input current,
as illustrated earlier in Fig. 4B.
Of course the metal-oxide capacitor is not perfect, and the internal resistance
and Hall constant tend to limit the "Q" of the SSI. One of Dr. Kataoka's early inductors
has a nominal inductance of 570 μH, and a "Q" factor of 0.37 at 1 kHz. By conventional
choke standards this is, indeed, a poor inductor. Dr. Kataoka is quick to point
out, however, that future improvements in design will soon increase the SSI performance
to the point that it may become a major breakthrough in integrated-circuit technology.
Editor's Note: For readers who are interested in further information on the Hall
effect and on instruments that utilize this effect for magnetic measurements, refer
to the article "The Hall Effect" by John R. Collins which appeared in our April,
1963 issue.
|