|
June 1954 Radio-Electronics
[Table of Contents]
Wax nostalgic about and learn from the history of early electronics.
See articles from Radio-Electronics,
published 1930-1988. All copyrights hereby acknowledged.
|
As with most new discoveries,
advancements came quickly for transistors. A little more than six years after
Messrs. Brattain, Shockley, and Bardeen announced their invention of a positive
gain, point
contact transistor, this article in Radio-Electronics magazine
reports on the wonders of junction diodes and transistors that eliminate the
mechanical interface of the "cat whisker" that was vulnerable to failure due
to shock, vibration, and temperature changes. Note how closely spaced the patent
numbers mentioned are for Sidney Darlington's compound transistor (aka a Darlington
pair), Shockley's bistable transistor oscillator, Gordon Raisbeck's NPN-PNP
balanced pair amplifier, and Robert Blakely's 3-terminal transistor mixer. Bell
Labs, IBM, and the other big name research companies and universities were hot
pursuit of the next big thing in semiconductor technology. I'm guessing lawyers
were making almost as much money as the companies as lawsuits ran amok battling
over intellectual property (IP) rights.
What's New in Transistors
Improvements in circuits and in the units
themselves accelerate the progress of these newest and "hottest" things in electronics
By I. Queen
Transistors remain the hottest thing in electronics, new applications being
continually brought forward. Transistors themselves as well as circuits for
them are being improved. Recent developments include higher gain, lower noise,
and greater stability. Transistors of the future may possibly be grouped or
combined without need for transformers or coupling components. Grouping is possible
because crystals may be N or P type, and thus complement each other.
William Shockley of the Bell Laboratories, famous for his work on transistors,
has designed a bi-stable circuit (Fig. 1). It is assigned patent No.
2,655,609. NPN
and PNP junction types are paired. R1 is the circuit load. Resistors R2 and
R3, which may be 100 ohms, aid in providing a trigger action. Ordinarily we
associate a trigger effect with point-contact transistors. Shockley has obtained
the same result with the less expensive junction types.
A positive signal is applied. When it is low, current through load resistor
R1 is small. The voltage drop across R2 and R3 is nearly zero. Since this drop
determines the emitter bias for each transistor, each works near cutoff.

Fig. 1 - Bi-stable transistor circuit.

Fig. 2 - A transistor amplifier.

Fig. 3 - PNP-NPN balanced amplifier.
If the positive input voltage is increased, more current flows through the
circuit. Resistors R2 and R3 produce a greater bias between emitter and base
of each semiconductor. The bias is always in the forward direction for each
transistor. More bias means more collector flow, and in turn, the emitter bias
is increased still further. Soon, each transistor current reaches its saturation
value where it remains, and the load current through R1 is maximum. The trigger
returns to low conduction when the input voltage is lowered to near zero.
The crystal pair shown in Fig. 1 is equivalent to a single transistor with
a current gain A/(1-A) where A is the gain of each individual unit. For example,
if each has a gain of 0.9 then the equivalent transistor has a total gain of
9. The emitter of the equivalent transistor is E, its base is B, and its collector
is C.
Another patent (No.
2,666,818) recently
credited to Shockley is illustrated in Fig. 2. Again he pairs an NPN and PNP
to obtain special effects. The result is a circuit that can handle relatively
large amounts of power. As before, we show an arrow (in the emitter lead) pointing
outward to indicate a NPN unit. The arrow pointing toward the crystal indicates
a PNP. The two transistors V1 and V2 form a voltage divider across battery B1.
Auxiliary battery B2 biases each transistor in the forward direction, that is,
toward lower impedance.
When the input signal is zero, the transistors conduct equally. The output
voltage is one-half of B1. Electrons flow out of the collector of V1, equal
in amount to the holes drawn from the collector of V2. The same number of electrons
are injected into the emitter of V1 as holes injected into the emitter of V2.
Thus there is no need for a direct return path for each element.
When the input goes positive, each base receives the positive potential.
V1 conductivity increases. At the same time V2 decreases in conductivity. The
output voltage is decreased during this time. During the other half-cycle, this
process reverses and the output voltage rises. Each transistor contributes toward
the power output, yet the circuit needs no transformers, capacitors, or resistors.
Another NPN-PNP balanced pair appears in Fig. 3. It was invented by Gordon
Raisbeck who assigned his patent (2,666,819) to the
Bell Telephone Laboratories. As before, we indicate the NPN junction transistor
by an emitter arrow pointing outward. The other transistor, V2 is a PNP type.
The circuit provides push-pull output without a transformer, and the input
signal does not have to be balanced to ground. When the a.c. signal goes positive,
the same bias is fed to both emitters. V1 conduction is lowered, while V2 is
increased. The load receives power from each transistor. As in any push-pull
arrangement, even harmonics are canceled out.
There is no d.c. return to the base. It is not necessary. At any given instant
there are as many charges withdrawn from one base as are fed into the other.
Base current is always zero. Fig. 3 is an amplifier, but may be connected to
modulate, detect, or oscillate.

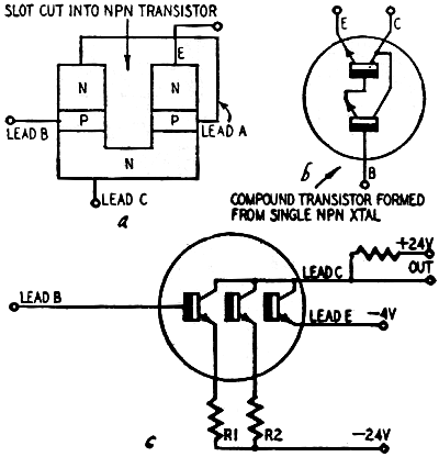
Fig. 4-a - Slotted NPN transistor. Fig. 4-b - A compound
transistor. Fig. 4-c - Triple compound transistor.

Fig. 5-a - Emitter areas are unequal. Fig. 5-b - Slotted
compound transistor. Fig. 5-c - Analog of Fig. 5-b transistor.

Fig. 6 - Transistor tetrode mixer.
A single junction transistor may be slotted as shown in Fig. 4-a to form
a compound unit. It is equivalent to a pair of transistors, yet formed from
a single NPN junction crystal. This unit has a common collector, but separate
emitters and bases. A Lead A connects one emitter (upper N region at the left)
with the other base. Leads E, B, and C are connected to the terminals of the
equivalent transistor.
The equivalent transistor (Fig. 4-b) has an unusually high alpha or current-gain
factor. It is equal to 1 - (1 - A)2. For example, if an unslotted
transistor has an alpha of 0.9 the compound unit has an alpha of 0.99. Theoretical
maximum for a junction crystal is unity.
With suitable slotting, the single NPN semiconductor can be made equivalent
to a triple compound transistor, as shown in Fig. 4-c. In addition to the leads
E, B, and C, two others are brought out for biasing purposes. R1, R2 are chosen
for optimum gain and low idling current.
This compound transistor is credited to Sidney Darlington (Patent No.
2,663,806) and
is assigned to Bell Labs.
One disadvantage of the previous transistor is its high collector current
when emitter bias is zero. This represents a power loss and may be highly undesirable
in some circuits. Bernard M. Oliver has discovered a means of solving the problem.
It is disclosed in patent No.
2,663,830, assigned
to Bell Telephone Laboratories. He finds that the idling current is minimized
if the slots are cut as described here.
Fig. 5-a shows a double compound unit suitably slotted. The areas of the
emitters (and bases) are unequal. The ratio should be 1:1-A, where A is the
current gain of the unslotted semiconductor. If A is 0.9, the slotted areas
should have a 10:1 ratio. Fig. 5-b illustrates a triple compound transistor
slotted in accordance with this patent. Slot 1 is the first slot which gives
the equivalent of two transistors. A second slot makes the unit equivalent to
three separate transistors with a common collector C. Lead 1 connects the base
of the first transistor with the emitter of the second. Lead 2 connects the
base of the second transistor with the emitter of the third. The analog of this
compound transistor is shown in Fig. 5-c. The area of V2 is smaller than that
of V1. V3 is still smaller.
Other inventors have added to the usefulness of a point-contact transistor
by using more than one emitter or base contact. A crystal tetrode has been invented
by Robert T. Blakely, patent No.
2,666,150, and
assigned to International Business Machines Corp. of New York (Fig. 6).
This tetrode gives the same effect as two separate transistors. Each emitter
is fed from an input source, and each provides gain. Thus it is useful as a
mixer.
Posted March 9, 2021
|