|
December 1942 was just a year into America's
"official" involvement in World War II. Already, both wired and wireless communications
had made major advances and were indisputably vital in both the logistical and strategic
aspects of troop movement, supply chains, fighting battles, and evacuation of wounded
personnel. It also played a large part in propaganda campaigns. This was all true
for both Axis and Allied forces.
Ham radio
operators provided a huge boost to the Signal Corps because they came at least
partially trained for the jobs. These dozen and a half photos from the field exhibit
the state of the art at the time. Maybe you'll recognize a father, grandfather,
or uncle in one of them. For that matter, you might even recognize a mother, grandmother...
Exodus Advanced
Communications, is a multinational RF communication equipment and engineering
service company serving both commercial and government entities and their
affiliates worldwide. Exodus'
AMP20026 is a rugged 2.0 to 6.0 GHz solid state amplifier delivering a
minimum of 200 W with clean, stable 53 dB gain. It offers excellent gain
flatness, a 20 dB control range, and full protection circuitry. Built for
EMI/RFI, lab, CW/pulse, and EW environments, it delivers instantaneous
bandwidth, superb reliability, rack mount configuration...
In April of 1952 when this article appeared
in Radio & Television News magazine, the
bipolar junction transistor (BJT) had only made it out of the
experimental laboratory of Messrs. Bardeen, Shockley, and Brattain at Bell Labs
a mere three years earlier in December of 1948. It did not take long for commercial
production to begin. Along with being a great primer for anyone new to transistors,
herein is also some background on how the now ubiquitous BJT schematic symbol was
created. Interestingly, only Dr. William Shockley is mentioned, making me wonder
whether the contributions of Dr. John Bardeen, and Dr. Walter H. Brattain was
not widely publicized early on. Not to worry, though, because all three were duly...
Mac's Service Shop captures here a moment
of technological transition in 1961 where a new "Loud-speaking
Telephone" impresses his right-hand man, Barney. The device utilizes vacuum-tube
amplifiers and a bulky external control box to allow hands-free communication, enabling
Mac to work while handling customer inquiries. Mac, ever the mentor, contrasts this
tube-based unit with the emerging technology of transistorized speakerphones, which
eliminate the need for external control boxes, external power supplies, and warm-up
times. The 1961 "Loud-speaking" setup, occupying significant space under a workbench,
has been completely replaced by modern smartphones and integrated VoIP systems...
As with all
RF Cafe
crossword puzzles, this one uses only words pertaining to engineering, science,
mathematics, mechanics, chemistry, astronomy, etc. As always, this crossword puzzle
contains no names of politicians, mountain ranges, exotic foods or plants, movie
stars, or anything of the sort unless it/he/she is related to this puzzle's technology
theme (e.g., Hedy Lamarr or the Bikini Atoll). The technically inclined cruciverbalists
amongst us will appreciate the effort. Enjoy!
 The microwave klystron was invented in 1937
by brothers
Russell and Sigurd Varian. If you have been in the microwave design
business for a couple decades, you undoubtedly recognize the company name of Varian
Associates, especially if you worked in the aerospace or defense electronics business.
There is a video on YouTube of a segment on Varian done sometime around 1990 by
Walter Cronkite. There is also a historical piece on Varian Associates on the Communications &
Power Industries website. This circa 1952 article covers the fundamentals of klystron
operation and reports on the increasing use of klystrons in high frequency application
- including by amateur radio operators exploring...
Werbel Microwave began as a consulting firm,
specializing in RF components design, with the ability to rapidly spin low volume
prototypes, and has quickly grown into a major designer and manufacturer with volume
production capacities. The
WMRD02-7.2-S is a resistive splitter that covers up to 7.2 GHz with ultra-wide
bandwidth. This design is useful when there are many low power signals within a
wide spectrum. By design, the nominal insertion loss and isolation is 6 dB,
hence it is often referred to as a "6 dB splitter." Its small size makes it
easy to integrate into compact systems. Designed, assembled, and tested in the USA.
"No Worries with Werbel!"
Contributors to the Wikipedia article on
the
Yagi–Uda antenna credit Japanese professor Shintaro Uda primarily for the antenna's
development, with Hidetsugu Yagi having played a "lesser role." Other sources assign
the primary role to Yagi. Regardless, history - and this article's author, rightly
or wrongly, has decreed that this highly popular design be referred to commonly
as the Yagi antenna and not the Uda antenna. I don't recall seeing advertisements
for "'Uda" television or amateur radio antennas. Harold Harris, of Channel Master
Corporation, does a nice job explaining the fundamentals of the Yagi antenna. Another
Yagi article appeared in the October 1952 issue of QST magazine...
Established in 1990,
dB Control supplies mission-critical,
often sole-source, products worldwide to military organizations, as well as to major
defense contractors and commercial manufacturers. dB Control designs and manufactures
high-power TWT amplifiers, microwave power modules, transmitters, high- and low-voltage
power supplies, and modulators for radar, ECM, and data link applications. Modularity
enables rapid configuration of custom products for a variety of platforms, including
ground-based and high-altitude military manned and unmanned aircraft. Custom RF
sources and receivers, components and integrated microwave subsystems as well as
precision electromechanical switches. dB Control also offers specialized contract
manufacturing and repair depot services.
The production of high-performance transistors
necessitated new methods to achieve extreme purity levels, far beyond standard industrial
capabilities. To reach the required purity of
one part in ten billion, engineers adopted zone melting, a sophisticated technique
pioneered by W. G. Pfann. In this process, radio-frequency heating coils melt a
narrow zone of a semiconductor rod, which is then moved along the crystal to sweep
impurities to one end. Beyond purification, zone melting allows for the precise,
uniform introduction of "dopants" like antimony or indium, which are essential for
creating p-type and n-type semiconductor characteristics. By refining these methods
through continuous processing and floating-zone techniques, manufacturers significantly...
Here's another advertisement that you probably
wouldn't see in a contemporary RF / microwave engineering magazine. For that matter
you probably wouldn't see it on a contemporary RF / microwave engineering website
... except on RF Cafe where political correctness gets no respect.
Adson Radio & Electronics was located on Fulton Street in New York City,
just a block from the 911 Memorial. the original building might have been destroyed
when the...
My first thought when seeing the cover for
this edition of Radio-Craft magazine was that it was an April Fools gag,
but it turns out the "hat" being worn by the radio receiver's designer is a
loop antenna for AM reception. Ya' know, he does look like he
could be a suicide bomber. In a way it is the opposite of a tinfoil hat in that
this headgear invites electromagnetic energy around the wearer's head rather than
shielding it. Back in 1936, being seen in public donning a contraption like this
radio would have been akin to Google Glass today - you'd be a superhero to fellow
nerds, and just be confirming your otherworldly nerd status to non-nerds...
Vreeland Corporation was an early radio
manufacturer located in Hoboken, New Jersey, with multiple patents on file for innovative
circuits. The
Vreeland band selector system mentioned here was originally filed
in the U.S. Patent and Trademark Office in August of 1927 and had not been awarded
by the time of this November 1929 article in Radio-Craft magazine. In fact,
it wasn't until five years later, in 1932, that the patent was finally assigned.
The official description reads in part, "The general purpose of the invention is
to receive the component frequencies of such a band with such uniformity as to avoid
material distortion of the modulated wave, and to exclude frequencies outside of
the band which the system is designed to receive. Another purpose of the invention
is to provide means for shifting the position of the band...
In this 1959 Radio-Electronics
magazine promo, Bell Telephone Laboratories showcased its advanced
radio-inertial guidance system, a technological breakthrough enabling precise
long-range missile flight. Developed for the Air Force's Ballistic Missile Division,
this innovation proved its efficacy by guiding a Thor-Able nose cone to a precise
target five thousand miles away, allowing for a successful aerial and maritime recovery.
The system utilized a missile-borne transmitter to feed continuous data to ground-based
radar and a Remington Rand Univac computer, which calculated real-time steering
corrections. By keeping the primary command equipment on the ground...
It's Friday afternoon as I post this installment
of
Mac's Radio Service Shop from a 1952 edition of Radio &
Television News magazine - the perfect way to burn off the last few minutes
of your work week while waiting for the shift-ending whistle to blow. John T.
Frye authored many of these stories that used main characters Mac McGregor, proprietor
of Mac's Radio Service Shop and sidekick technician Barney to set up a situation
and dialog whereby the highly experienced Mac imparts sage advice to Barney regarding
things electronics in nature. Topics range from safely troubleshooting a high voltage
power supply to tracking down noisy capacitors and how to treat customers equitably.
Today's lesson is on the employment of "repurposed" (a term not yet invented in
1952...
Thomas Edison applied on November 4, 1879
to the U.S. Patent and Trademark Office for a patent on his "Electric-Lamp." Patent number 223898 A was awarded on January
27, 1880. Remember those years. While searching for technical headlines today, I
ran across an article in the New York Times where they point out the first-ever
mention of electric lights in their newspaper. Per the article "The Arrival of Electric
Light," The New York Times first wrote of the technology on April 15, 1858.
On that day, "Our Own Correspondent" in Havana described celebrations of Holy Week
that included "an electric light" cast across the harbor...
This is part 5 in a series that began in
the October 1951 issue of Radio & Television News magazine. Previous
articles dealt with
crystal diodes in AM and FM radios, and this article shift gears
by moving into television applications. Crystal diodes were and are still used in
frequency generation, envelope detection, frequency mixing, and AC signal rectification.
Vacuum tubes could be used for the latter three applications but many physical issues
such as size, weight, power consumption, and heat dissipation proved to be major
drawbacks as designers strived to reduce the size of electronics assemblies, make
them more energy efficient, lower the cost of manufacturing, increase reliability,
and decrease weight...
This article from a 1959 issue of Radio-Electronics
magazine details a simple, effective method to
convert a standard dipole antenna into a unidirectional, broadband performer
by bending it into a circular loop and terminating the ends with a non-inductive
resistor. By utilizing a cross-shaped support frame with TV standoff insulators,
a builder can easily construct this antenna for the 6-meter band or higher. The
design is noted for its impressive front-to-back ratio and surprising operational
versatility across a wide frequency range, even maintaining performance when improperly
sized. Offering increased gain at harmonic...
As evidenced in these mid-last-century magazine
advertisements,
Sylvania Electric marketing moguls learned early what sells products
by exploiting the nature of their audience. The cartoon-style ads shown here appeared
in social publications like Look, Life, and Collier's, where both men and women
- many of them numbnuts - are the expected audience. Compare these with the type
of ad run by Sylvania in a "serious" magazine like
Radio-Craft...
Billed at the time as the longest microwave
relay system in the world, this report on Bell Telephone Systems'
transcontinental installation came just a month after being put into commercial
service. At a cost of $40 million ($512 million in 2026 dollars per BLS Inflation
Calculator), the system relays telephone calls and radio and video program material
along a chain of 107 microwave towers, spaced approximately 30 miles apart. It was
a big deal to be able to watch a TV show from New York City in Los Angeles, and
vice versa; we take worldwide broadcasts for granted nowadays...
Anatech Electronics offers the industry's
largest portfolio of high-performance standard and customized RF and microwave filters
and filter-related products for military, commercial, aerospace and defense, and
industrial applications up to 40 GHz. Three new models have been added to the
product line in April, including a 4.9 to 24 GHz MHz suspended stripline
highpass filter, a 9200 MHz cavity bandpass filter with 250 MHz bandwidth,
and a 1 MHz LC bandpass filter with 350 kHz bandwidth. Custom RF power
filter and directional couplers designs...
Today as I write this it is New Year's Eve.
The year 1935 could be considered "metal tube's eve" as a new paradigm was about
to hit the world of high frequency circuit design. Thentofore[sic], vacuum tubes
were almost exclusively encased in a glass envelope.
Metal-encased tubes provided, among others, benefits like better
heat dissipation, smaller physical size, ruggedness, inherent RF shielding, and
lower parasitic values of capacitance and inductance due to smaller plate areas
and shorter lead lengths, respectively. The highest barrier to widespread adoption,
history would show, was the higher cost of production that made consumer products
more expensive at a time when not every household saw the need for...
"Squegging,"
a phenomenon likened to the rhythmic spurts of a manual water pump, occurs when
an oscillator undergoes periodic cycles of oscillation followed by a dead period.
This happens when an excessive time constant in the grid circuit, often caused by
a faulty resistor or capacitor, drives the tube to cutoff, only for it to restart
once the bias bleeds off. In radio and television, this manifests as audible buzzing,
intermittent sound, or dark holes in the picture. Historically, the term "squeg"
emerged in the specialized fields of radio engineering and electronics during the
early 20th century, likely originating as a form of "self-quenching," descriptive
of the erratic...
If
Radio
Corporation of America (RCA) was still in existence today, undoubtedly it would
be running an advertisement mentioning not just radio and television in their list
of wireless communications accomplishments, but also cellphones, satellite navigation
(GPS), cable television, and Wi-Fi. Founded in 1919, RCA was bought by General Electric
in 1986 and then subsequently broken into components and sold off to other companies
like Sony, NBC (National Broadcasting Company), and Comcast. This RCA advertisement
heralding Marconi's Morse code message "first forged in 1901 from the mere sound
of three dots" appeared in a 1952 issue of Radio & Television News
magazine...
|
 • UK's
Fractile Chip Facility Gets £100m Expansion
• Choosing an
Antenna for Compliance Testing
• Huawei
Wins 8 GLOMO Awards at MWC Barcelona
• Smartphone
Shipments to Fall 7% in 2026
• February
Chip Sales up 61.8% YoY
 ');
//-->
 The
RF Cafe Homepage Archive
is a comprehensive collection of every item appearing daily on this website since
2008 - and many from earlier years. Many thousands of pages of unique content have
been added since then.
"But nine times out of ten when you draw
a blank in analytic geometry or calculus, you'll find that your trouble is caused
by weakness in algebraic manipulation." That statement is not a major factor in
the plot, but it does ring true in a familiar way. I remember noting that the guys
who had trouble in calculus class usually did so because they were weak in basic
algebra and trigonometry. An engineering calculus class moves at such a rapid pace,
with many new concepts thrown at you every day, that you absolutely must not have
to learn algebra and trig concurrently. My high school algebra skills were pathetic,
so prior to taking my first calculus course I took not only an algebra course but
also a precalculus course that taught trig identities, complex numbers, and logarithms...
This RF Cafe
Engineering & Science Crossword Puzzle contains at least 10
words from headlines posted on the homepage during the week of August 5 through
August 9, 2019 (marked with an asterisk*). These custom-made engineering and science-themed
crossword puzzles are done weekly for the brain-exercising benefit and pleasure
of RF Cafe visitors who are fellow cruciverbalists. Every word and clue - without
exception - in these RF Cafe puzzles has been personally entered into a very large
database that encompasses engineering, science, physical, astronomy, mathematics,
chemistry, etc. Let me know if you would like a custom crossword puzzle built for
your company, school, club, etc. (no charge).
This article from the May 1967 edition of
Electronics World shows you just how long the
Frequency Electronics company has been around! In fact, here
is an excerpt from their website: "Frequency Electronics, Inc. was founded in
1962 and is now a well-established public company in Long Island, New York, and
trades on the NASDAQ Stock Exchange under the symbol FEIM." Mr. Irwin Math, the
project engineer at Frequency electronics who wrote the article, has surely
retired by now. The discussion on short- and long-term stability is as relevant
today as it was 45 years ago. Interestingly, the term "phase noise" is nowhere
to be found. Neither is "digital," which might explain the absence of the
former...
If you think controversial and otherwise
inane decisions made by high-level courts is something new to this era of political
high dudgeon, think again. This article in the January 1935 in Radio-Craft
magazine reports a Supreme Court decision over who was the
inventor of regeneration in radio circuits - Dr. Lee de Forest or
Major Edwin H. Armstrong. Evidently in spite of much support by the opinions
of notable experts in the field who claim Armstrong deserves credit, the Court found
in favor of de Forest. The battle had been fought at many levels for the previous
18 years. Columbia University's Professor Michael I. Pupin wrote, "On several occasions
after that I have had conversations with de Forest which convinced me that
he did not know of or understand the production of radio frequencies by vacuum tubes."
Major Armstrong eventually committed suicide over his distraught state over this
and other issues...
Just as today's generation of engineering
students grew up with and are totally accustomed to and proficient at using computers,
smartphones, positioning devices, CAE software, and various combinations of the
aforementioned, so have the latest cadre of pilots grown up with GPS and electronic
flight charts and planners in the cockpit. The difference is that whereas engineering
students are not still required to learn to use a slide rule and a drafting table
to earn an engineering degree, pilots are still required to learn to navigate using
primitive (not meant derisively) instruments and ground-based navaids to earn a
pilot's license. That's not a bad thing, though, because whereas if your graphing,
2500-function calculator quits working, the only thing at risk is your test score
if you happen to be taking an exam. However, if your electronic navigation fails
while in a limited visibility environment or in controlled airspace, you had better
be able to do some seat-of-the-pants flying or you could be in deep doo-doo. This
1958 article from Popular Electronics magazine presents the newfangled
TACAN (TACtical Air Navigation) and Loran (LOng RAnge Navigation) systems recently
introduced (at the time) by the CAA (Civil Aeronautics Authority), which is now...
Popular Electronics magazine ran
a monthly series titled, "Opportunity Awareness" that addressed issues on continuing education,
networking, and job performance as a means of advancing one's career. Fundamentally,
nothing has changed in that aspect; however, the specialty areas for various levels
of education and experience has shifted from where they were in 1971 when this chart
was created. Host David Heiserman often fielded questions submitted by readers.
As one who spent many evenings sitting in evening college classes while working
on an Associate's degree, a Bachelor's degree, and a few credits toward a Master's
degree, I can relate to the guy who wrote about taking night courses in an effort
to get into the electronics field. I was already working...
Yeah, I thought the same thing when I saw
this in a 1957 issue of Popular Electronics magazine ... a "Wamoscope?"
Was it produced by the Wham-O toy company that makes the Hula Hoop, the Frisbee,
the Super Ball, and Silly String? Wham-O was founded in 1948, so why not? It looks
like one of the flashlights that held about six "D" cell batteries that you'd see
on old police shows. Actually, Wamoscope is derived from "WAve-MOdulated oscilloSCOPE."
It combined a traveling-wave tube with a cathode ray tube in a single enclosure.
Operating over a frequency band of 2 GHz to 4 GHs, it combines most of
the essential functions of a microwave receiving set in a single tube envelope,
eliminating many of the tubes and components required by conventional receivers.
There is also an article entitled "The 'Wamoscope' - a Picture Tube That Includes
Many Functions...
During my daily technical headlines search,
one of the websites I regularly visit is Radio Ink. As a lifelong fan of over-the-air
broadcast radio (and TV), it is interesting to see what trends are playing themselves
out.
OTA (over the air) broadcasting is struggling to survive in this modern world
of Podcasts and Internet streaming broadcasts; indeed, I do a lot of my radio listening
via the Internet because the local stations don't provide what I want. The Big Media
types are involved in a major lobbying effort to mandate FM radio receivers in all
cellphones, which of course is a prime example of corporate chieftains using their
financial might to pay off politicians for something that the rest of us will ultimately
have to foot the bill for. Radio's early days faced no such dilemma. People the
world over were excited about the advent of radio and eagerly awaited their favorite
broadcasts each day...
Lee de Forest, inventor of the Audion vacuum
tube, created a business called De Forest Radio Company (although I hear he didn't
build that). This advertisement for his company's electron tubes appeared in the
December 1931 edition of the ARRL's QST magazine. If you research Lee de Forest,
you will find his name spelled incorrectly in many different forms: de Forest, De
Forest, de Forest, de Forest, to give a few. When in doubt, go straight to the source,
which in this case is the signature that de Forest placed on his patent applications
- he used "de Forest." Note that the official company name, according to the advertisement
address at the bottom, is "De Forest Radio Company," (space used) yet the text of
the copy uses the form...
Since I do not have time to watch television
on a regular basis, paying for a cable or satellite subscription cannot be justified.
My plan was to install a traditional
FM/VHF/UHF television antenna on the roof along with a rotator. Some pretty
nice models are still available from Channel Master and a few others. TV broadcast
stations in the Erie area are all within 10 miles or so, so signal strength would
not be an issue. I listen to both AM and FM radio most of the day, so being able
to get an FM signal boost from a steerable antenna would be a nice bonus since occasionally
reorienting the FM dipole was needed to get a clear signal. The entire outfit would
cost less than a year's subscription price for cable or satellite television...
Bell
Telephone Company played an important role in the development of the aviation industry
by providing communications systems for airlines. As intimated in this promotion
in Boys' Life magazine, in 1961, Bell introduced the
"air-ground-air" radio system, which allowed pilots to communicate directly
with air traffic controllers on the ground, improving safety and efficiency in air
travel. This system was a major technological advancement, as it replaced the earlier
system of communicating via Morse code, which was slow and prone to errors. The
air-ground-air system allowed pilots to communicate in real-time with controllers,
enabling faster and more accurate instructions for takeoff, landing, and navigating
airspace. Bell Telephone Company continued to innovate in the aviation industry,
introducing new technologies such as satellite-based navigation systems and weather
radar systems, which have greatly improved air travel safety and efficiency...
Dry cell chemistry has come a long way since
this article appeared in the April 1959 edition of Popular Electronics
magazine. Yes, you can still buy a basic carbon battery, but much superior cells
are available now that perform over much wider temperature ranges, have nearly flat
discharge curves throughout their rated range, and offer standard chemistries with
voltages other than 1.5 volts per cell (nominal). For example, nickel metal hydride
(NiMH) cells exhibit 1.2 volts nominally, and lithium polymer (LiPo*) cells have
a nominal voltage of 3.7 volts. As a kid in the 1960s and 70s, I spent a lot of
time struggling to make Eveready flashlight "D" cells from my father's flashlight
power the glow plugs on my model airplane engines. They were typically so weak that
even slight flooding from glow fuel on the element that the current could not get
nichrome elements hot enough. Nowadays, a voltage regulated glow plug driver can
overcome any amount of fuel on the heating element...
When I saw this photo of a man holding a
fluorescent light bulb in the beam of a radar antenna, it reminded me of how
we used to do the same thing on our AN/MPN-14 radar system in the USAF. The unit
in the photo is a General Electric's FPS-6 height-finding radar, which operates
in the S-band 2,700-2,900 MHz region. The AN/MPN-14 is a mobile ground control
approach (GCA) with both an S-band airport surveillance radar (ASR) and an X-band
precision approach radar (PAR). Our S-band radar had a 600 kW peak power whereas
the FPS-6 put out a couple megawatts, but 600 kW was enough to light the bulb.
Of course these days you would never see a company-sponsored photo of a man standing
in front of a high power radar antenna with a fluorescent light bulb in his hand...
If you like pictures of très cool-looking
devices involving vacuum-filled (an oxymoron?) glass enclosures, i.e., lamps and
tubes, then you will want to spend a few minutes perusing the personal collection
of Giorgio Basile, of Nivelles, Belgium. Per the homepage of his
Lamps & Tubes website:
"My collection consists of more than 4,000 lamps and vacuum tubes. This is a wide
area! In addition to well known incandescent lamps, radio tubes and cathode ray
tubes, it includes, among others: arc lamps, light sources for the laboratory, transmitting
tubes, camera tubes, flash lamps, microwave tubes, photocells, photomultipliers,
radiation detectors, rectifiers, relays, thyratrons, vacuum gauges, X-ray tubes...
Your idea of a usable
portable radar probably does not include one that requires you to manually point
it at your surroundings and listen through a set of earphones for a tone's volume
and pitch to estimate distance to the target (or you can use the small analog meter
on the case. That was considered a technological breakthrough in 1971, and Kimball
Product Company's "Whistler" was the star. It only cost $595 ($3,743 in 2019 dollars)
for the capability. The trade name "Whistler" is very well known today, but I could
not find any information relating it to its namesake in this article. There is a
Kimball Electronics, but their About Us page is down at this time. Most likely,
though, it is The Whistler Group that is the progenitor of the radar unit mentioned
here. Today, they have an extensive line of portable radar units for marine, automotive,
aviation, and other applications...
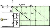
While not many people are likely to build
this
R-C bridge circuit with vacuum tubes for use during design and troubleshooting,
this 1947 Radio News magazine article has a good basic description of operation
of any calibrated bridge circuit used to measure an unknown value. Interestingly,
a "magic eye" or "cat's eye" tube is used in lieu of a meter movement to give a
visual indication of an open, short, intermittence, poor power factor, and low "Q,"
as well as when the selected switch position correctly identifies the value of the
resistor or capacitor under test. Note that in that era μfd = μF and μμfd = pF...
Admittedly, the only thing I remember about
Gray Code (aka reflected binary) from college courses is that successive count
values change only one bit per increment, saving power in some digital circuits.
The power savings comes from the fact that, especially for CMOS circuits, current
only flows during the transition of a state change from "0" to "1" or from "1" to
"0." Shaft position encoders were and still are a primary application of Gray Code
switching. If the encoder output digital code is going to be used in a binary computation
system, then there is an advantage in generating a direct binary ("natural") count
that does not require a Gray-Code-to-Binary conversion circuit (or software routine).
When the Wayne-George Corporation introduced its paradigm-changing "Natural Code
Non-Ambiguous Optical Encoder" in 1964, those conversion circuits were probably
not simple, compact, inexpensive semiconductor IC's, but more likely vacuum tube
behemoths. Even if IC's were used, the conversion circuit would have been comprised
of quad packs of AND's, OR's, NAND's, and NOR's, not even a single application...
If you have never seen an old-fashioned
television tuner - particularly a color TV tuner - you have missed a truly
impressive bit of electromechanical ingenuity. I include it here for you to
marvel over, not because you are likely to need the information (although some
RF Cafe visitors still use and/or service such things). Unlike a simple parallel
plate capacitor tuner used by many radios, the TV tuner contains inductors,
capacitors, resistors, tubes (or transistors), and many switch contacts (which
provide ample opportunity for intermittent or no electrical contact when they
inevitably get dirty). If a radio is a multi-band job, it nearly always has a
separate switch or switch bank to select a particular band. The band... |